• Однофазный асинхронный двигатель с назад загнутыми лопатками
• Варианты исполнения мотор-колес: «Стандарт»
• Материал корпуса: оцинкованная сталь
• Рабочее напряжение: 1~230В
• Класс изоляции корпуса: IP44
• Монтаж: ниппельное соединение.
• Изготавливается в стальном оцинкованном корпусе;
• Круглый, одностороннего всасывания;
• Рабочее напряжение: 220В;
• Класс изоляции корпуса: IP44;
• Монтаж: нипельное соединение;
• Гарантия на ВКК-М 100 мм: 24 месяца
Технические характеристики Канальные вентиляторы ВКК-М №100
| Производительность, м3/ч | Полное давление, Па | Рабочее напряжение В / кол-во фаз / частота | Установленная мощность, Вт | Частота вращения РК, об/мин. | Ток, А | Емкость конденсатора, мкФ | масса, кг |
| 240 | 320 | 230 / 1 / 50 | 80 | 2610 | 0.3 | 2 | 2,6 |
Аэродинамические характеристики канального вентилятора ВКК 100М

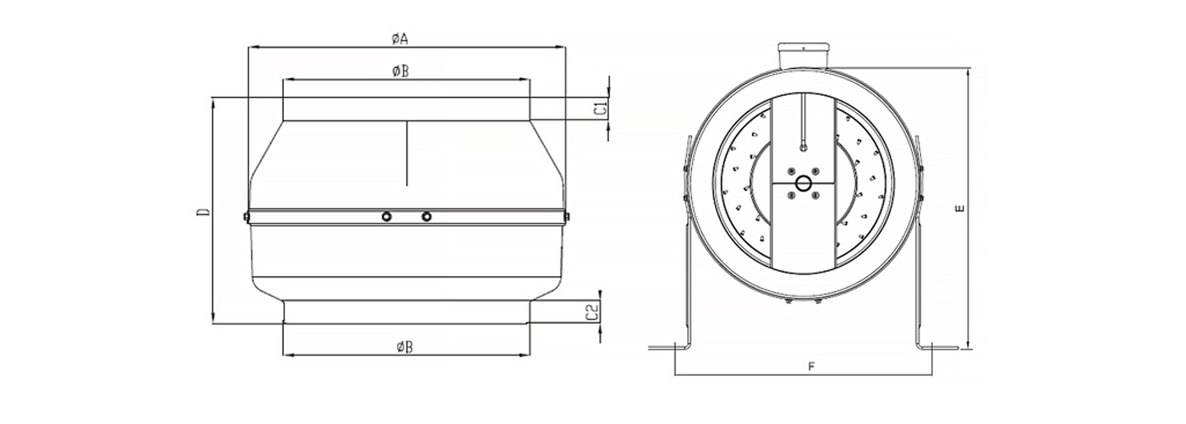
Габаритные и присоединительные размеры канального вентилятора ВКК 100М

| A, мм | B, мм | С1, мм | С2, мм | D, мм | E, мм | F, мм |
| 245 | 97 | 22 | 22 | 197 | 273 |
268 |
Акустические характеристики канального вентилятора ВКК 100М
|
Значение Lpi в октавных полосах f, Гц |
|||||||||
|
Частота вращения, об/мин |
Lpa, дБА | 63 | 125 | 250 | 500 | 1000 | 2000 | 4000 | 8000 |
|
Lwa Канал |
71 | 57 | 60 | 69 | 65 | 59 | 55 | 48 | 41 |
| Lwa к окружению | 55 | 39 | 41 | 42 | 48 | 52 | 47 | 37 | 30 |
Технические характеристики канальных вентиляторов ВКК-М
Канальные вентиляторы ВКК-М круглые, одностороннего всасывания из оцинкованной стали предназначены для работы в составе канальных систем вентиляции и служат для генерации приточного или вытяжного воздушного потока вдоль воздуховодов.
Канальные прямоугольные вентиляторы ВКК-М устанавливаются в:
• Административных и офисных зданиях;
• Помещениях кафе, ресторанов и столовых;
• Складских и производственных помещениях;
• Автостоянках, магазинах и супермаркетах;
• Кинотеатрах и развлекательных центрах;
• Складских и производственных помещениях.
Рабочая среда для вентиляторов прямоугольных ВКК-М:
• Ввоздух предельно допустимая запыленность которого не превышает 0,1 г/м3;
• Наличие липких, волокнистых, абразивных или химически активных по отношению к металлам примесей в рабочей среде не допускается;
• Относительная влажность до 80%;
• Предельное значение рабочих температур составляет +60°С.
Канальные вентиляторы серии ВКК-М устанавливаются в разрыв круглых воздуховодов в систему вентиляции, в любом положении, в ограниченном пространстве. Крепление вентилятора к воздуховоду – ниппельного типа. Для снижения утечек воздуха рекомендуется использовать уплотнительные ленты или герметики.
В заводскую комплектацию вентилятора ВКК-М входит:
• Корпус изготовлен из оцинкованной стали методом штамповки на прессе;
• Рабочее колесо осевого типа с загнутыми назад лопастями;
• Однофазный асинхронный двигатель, напряжение: 220В;
• Встроенные термоконтакты для защиты двигателя;
• Технический паспорт вентилятора с отметкой ОТК.

• Клапан круглый;
• Воздушный фильтр;
• Шумоглушитель круглый;
• Регулятор скорости оборотов рабочего колеса.
Монтаж и подключение вентилятора ВКК-М *:
На входе и выходе вентилятора должны быть расположены прямые участки воздуховода. Минимальная длина прямоугольных участков воздуховода, следующая: со стороны всасывания один диаметр воздуховода и три диаметра со стороны нагнетания. На данных секциях не допускается установка шумоглушителей, фильтров, нагревателей и прочих устройств.

*Более подробная информация о правилах монтажа, пуска, эксплуатации, обслуживания и технических характеристиках радиального вентилятора ВКК-М отражена в техническом паспорте изделия, который поставляется в комплекте с агрегатом.
Электрическая схема подключения вентилятора ВКК-М

Условия эксплуатации вентилятора ВКК-М
Вентиляторы канальные круглые серии ВКК-М рассчитаны на бесперебойную работу на протяжении длительного времени в регионах с умеренным климатом, допускается применение по 2-ой категории размещения при условии защиты вентилятора от атмосферных осадков и прямых солнечных лучей.
Температура окружающей среды:• от -40° до +40°С для вентиляторов исполнения У (умеренный климат)
Оплата производится по Безналичному расчету.
Для более подробной информации, свяжитесь с менеджером 8-800-770-75-30 или задайте вопрос в онлайн чат.
1. Можем доставить ваш заказ собственными ресурсами.
2. Самовывоз со склада. Для получения заказа обратитесь к сотруднику в зоне выдачи и назовите номер.